欢迎来到taptap点点官方网(股票代码:831999)官方网站!

企业邮箱| 联系我们| 网站地图

服务热线: 4000-588-578
您现在所在的位置:首页 > 新闻资讯 > 节能技术答疑

烧结余热发电

发布日期:2015-09-30 10:02:00 浏览:-| 加入收藏

点点官网taptapapp下载烧结余热发电案例:

1、邯郸纵横钢铁集团7.5MW烧结余热发电项目

2、河北钢铁金鼎重工14MW烧结余热发电项目

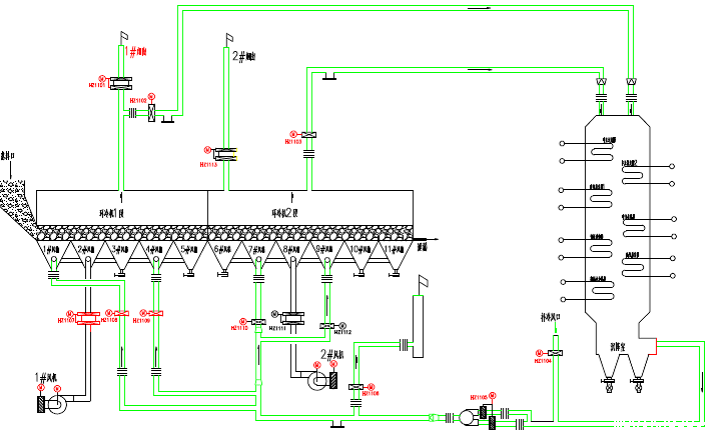
点点官网taptapapp下载科技以合同能源管理方式与河北钢铁集团金鼎重工股份有限公司进行了烧结余热回收发电节能改造合作。项目主要内容为132m2烧结、160m2烧结、90m2烧结三座烧结机环冷、烟倒温段密封实施循环热风改造,上3座余压锅炉,配套14MW补汽凝汽式汽轮机发电机组及其附属设备。

河北钢铁集团金鼎重工股份有限公司烧结余热发电项目建设完成,利用率达到90%,年发电量约10080万KWh,折合标煤量33264吨/年;点点官网taptapapp下载科技预计可帮助河北钢铁集团金鼎重工股份有限公司每年收电费6048万元/年

点点官网taptapapp下载科技有限公司河北钢铁金鼎重工14MW烧结余热发电项目流程图

6.jpg

河北钢铁集团金鼎重工股份有限公司,始建于1995年,是一集炼铁、炼钢、轧钢、精密铸造、贸易于一体的综合性企业,坐落于重工冶炼古都——河北省武安市崇义工业园区,地理位置优越,交通便利。固定资产达40.6亿元。现有员工4000余人。

一.前言

余热发电是利用余热锅炉回收废气余热,生产中压或次中压蒸汽,配套汽轮发电机组发电,限度提高废气余热利用效率。而对于烧结机余热发电来说是通过钢厂烧结冷却机废气和烧结机的烟气余热通过余热锅炉回收利用,生产中压或次中压蒸汽,配套汽轮发电机组发电。

7.png

冷却机废气显热和烧结烟气显热占烧结过程热耗的50%以上,将这部分余热尽可能地加以有效利用是烧结节能的重要方面。通过对烧结机烟气的回收利用,一方面减少了对气环境的污染(主要是二氧化碳,一氧化碳),另一方面,从某种上也节约了生产成本。其所产生的蒸汽可进行对外供热,电联产,节省了企业的生产成本,也迎合当今社会节能减排的主题。

二.工艺原理

8.png

1.烟气循环:烧结冷却机所产生的烟气分为烟温段,共同进入余热锅炉烟道口,并且通过功率循环风机强制其烟气循环,加热其中压换热面,产生蒸汽。当段烟道阀门打开时,烟气就进入锅炉烟道口,同时1#,2#烟囱也随之关闭,旁路烟关闭,补冷风口根据烟气温度自行调节其开度。1#和2#环冷机的出口电动阀打开,循环风机的风流将进入环冷机内,代替环冷风机的风流,使得烧结工序能正常运行。

在此工序中循环风机是主体,因此循环风机的效率直接影响到烧结和锅炉蒸汽产生的效率,进一步影响发电效率。

9.png

2.中压水循环:中压锅筒给水是来自汽机房凝结水经过压除氧器处理,由中压给水泵打入中压锅筒。中压给水调节中为重要的是给水三冲量调节,其调节方式是通过汽包水位,给水流量,主蒸汽流量。给水三冲量调节中,给水流量的准确度直接影响到调节的准确和稳定度。因此要进行三冲量的调节,给水流量和蒸汽流量以及水位的校验非常重要。

当主蒸汽温度达到一定值(主要由进入汽机的蒸汽温度决定)时,需要打开减温水调节阀来冷却中压减温汽,降蒸汽温度,符合进入汽机蒸汽温度的要求。

10.png

3.压水循环:压汽包给水是来自汽机房凝结水经过压省煤器进入压汽包。对于压汽包给水调节可以进行两冲量或单冲量调节,其体调节方式可以根据现场情况而定。压汽包水位相对于中压汽包水位稳定,受干扰的情况较小。一冲量调节只需根据水位来调节,两冲量调节根据水位和主蒸汽流量来进行调节。两冲量相对于一冲量来说,受干扰较小,稳定度也较好。

11.png

4.汽机油系统:

油系统对于汽轮机是相当重要,一但油系统出问题直接影响汽机正常的运作,严重将导致轴瓦的烧毁,使系统整体瘫痪。

汽机油系统主要由压油泵,直流油泵,交流油泵来提供油路的循环。

当主油泵出口油压时,启动压油泵。润滑油压时,启动交流和直流油泵。

三.分散集中控制系统

1.概述:控制方式主要采用炉,机,电集中控制。锅炉,汽轮机,发电机,循环水系统,给水系统等分别能在 控制室内集中控制。 控制室能集中控制机组启动,运行,停机和事故处理。就地控制柜分别分布在各个锅炉的就地控制室内,就地控制室能对本锅炉系统进行操作控制,当锅炉机组进行修或设备调试时,在就地控制较为方便,体现了分散集中的原理。分散集中控制系统的功能覆盖了数据采集和处理系统(DAS),模拟量控制系统(MCS),顺序控制系统(SCS),事件顺序记录(SOE)。

以下以体工程事例来说明。

2.工程概况:该工程为某钢厂四炉一机集中分散控制系统。余热锅炉主要系统参数为额定蒸发量22T,9T.

额定蒸汽温度340C226C

额定蒸汽压力1.96MPa0.6MPa

锅筒工作压力2.16MPa

给水温度40C

排烟温度146C

汽轮发电机参数为主汽门前额定蒸汽压力1.96MPa

主汽门前额定蒸汽温度/温度335/350C

主蒸汽额定流量100T/H

补气快关门前额定蒸汽压力0.6MPa

补气快关门前额定蒸汽温度/温度225/235C

汽轮机额定(考核)功率23MW

汽轮机小发电功率5MW

汽轮机额定转速3000r/min

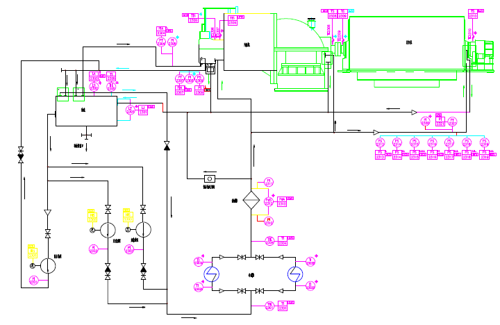
3.系统网络构架图

12.png

该工程每台锅炉都有一个一个就地控制室,每个锅炉控制室内都有一套锅炉控制系统能控制本锅炉的运行,四台锅炉的控制都能经过光纤环网到达 控制室内,由 控制室的操作人员进行操作控制。锅炉每套控制系统的主站和从站都是通过冗余通讯来进行。若其中一路通讯有问题都不会影响锅炉系统的正常运行,保证系统运行安全可靠。

4.系统硬件配置

11756-PA72电源模块

21756-A1313槽机架

31756-L61处理器2M内存

41756-ENBT以太网模块

51756-CNBRControlNet模块

61756-IF88通道模拟量输入模块

71756-IB32数字量输入

81756-OB32数字量输出

91756-IB16ISOE时间序列模块

101756-IT6I2热电偶模块

111756-IR6I热电阻模块

121756-OF8模拟量输出模块

131756-TBCH36针接线端子

141756-TBNH20针接线端子

151756-N2空槽盖板

161786-TPST型头

171786-XT终端电阻

181786-BNCControlNet电缆连接器

系统联锁关系

四、主要设备

1、锅炉

给水泵

给水泵出口母管压力<2.1MPa,启动备用给水泵。

正在运行中的给水泵发生故障,启动备用给水泵。

锅筒压力

压锅筒压力>0.85MPa时,报压力报警并且开压锅筒排汽电动阀。

压集汽箱压力>0.75MPa时,报压力报警并且开压集汽箱排汽电动阀。

中压集汽箱压压力>2.4MPa时,报压力报警并且开中压集汽箱排汽电动阀。

锅筒水位

1.锅筒水位参数(参照锅筒正常水位)

中压锅筒正常水位为中心线下50mm,

报警(一)水位为正常水位上下各100mm,

报警(二)水位为正常水位上下各200mm,

报警(三)水位为正常上下各250mm

压锅筒正常水位为中心线下50mm,

报警(一)水位为正常水位上下各100mm,

报警(二)水位为正常水位上下各200mm,

报警(三)水位为正常水位上下各300mm

2.当压汽包水位>300mm或<-300mm时,停炉。同时启动1#,2#环冷风机。

打开环冷风机出口插板阀,打开1#,2#烟囱插板阀,关,温烟道进口挡板,打开旁通烟囱插板阀。延时一段时间停循环风机,循环风机停止,关补冷风门。

当压汽包水位>200mm时,开紧急放水电动阀。

当压汽包水位<100mm时,延迟一段时间关紧急放水电动阀。

3.当中压汽包水位>250mm或<-250mm时,停炉。同时启动1#,2#环冷风机。

打开环冷风机出口插板阀,打开1#,2#烟囱插板阀,关,温烟道进口挡板,打开旁通烟囱插板阀。延时一段时间停循环风机,循环风机停止,关补冷风门。

当中压汽包水位>200mm时,开紧急放水电动阀。

当中压汽包水位<100mm时,延迟一段时间关紧急放水电动阀。

锅炉给水流量

中压给水母管流量<额定流量的30%时,开在循环电动阀

中压给水母管流量>额定流量的50%时,关在循环电动阀。

锅炉给水调节

中压主给水调节根据中压锅筒液位以及中压出口蒸汽流量来调节给水调节阀的开度,稳定锅筒液位。

中压减温水调节阀当中压集汽箱温度>400,开减温调节阀。

压凝结水调节阀根据其压锅筒液位以及其出口蒸汽流量来调节其调节阀,稳定其锅筒液位。

停循环风机

润滑油压<0.03Mpa

润滑油温>67

循环风机轴承温度>85

循环风机轴承振动过>71mm/s

循环风机电机轴承温度>95

循环风机电机定子温度>145

循环风机电机振动>45mm/s

2、汽机

射水泵

射水泵出口压力<0.3MPa或在射水泵运行时故障,启动备用泵

凝结水泵

凝水泵出口母管压力<1.3MPa或在凝结水泵运行时故障,启动备用泵

压油泵

主油泵出口压力<1MPa,启动压油泵。

工业水泵

两用一备和一用两备选择,当出口母管压力<0.55Mpa或运行中有故障,启动备用泵。

循环水泵

两用一备和一用两备选择,当出口母管压力<0.18Mpa或运行中有故障,启动备用泵。

油泵

润滑油压>0.16Mpa,停电动油泵。

润滑油压<55KPa,启动交流电动油泵。

润滑油压<40KPa,启动直流电动油泵。

润滑压<15KPa,停盘车电机。

均压箱

均压箱压力根据均压箱检测的压力来调节均压箱调整阀来稳定其压力。

凝结水箱

根据凝结水箱液位来调节除盐水去凝汽器调节门开度,稳定凝结水箱液位。

旁滤系统

步进入运行状态,运行时间可以预置,原水进水阀和净水出水阀开。若要投入反洗,预置时间到,进入放水状态,原水进水阀和净水出水阀关闭,反洗排水阀打开。一分钟进入水反冲洗状态,反洗进水阀开。五分钟进入水气混合状态,化学水进水电动阀开。十五分钟,化学水进水电动阀关,进入水反冲洗状态。十分钟,反洗排水阀和反洗进水阀都关闭,原水进水阀和净水出水阀打开,在次进入运行状态。

保护停机

汽机速度>3300r/min,速。

轴向位移>=1.3mm,轴向位移<=-0.7mm

胀差<=-2.5mm,胀差>=3.5mm

轴振动>0.254mm

轴瓦温度>110

轴承回油温度>75

润滑油压<20KPa

凝气器真空<-61kpa

五、点点官网taptapapp下载烧结余热发电案例:

1、邯郸纵横钢铁集团7.5MW烧结余热发电项目

2、河北钢铁金鼎重工14MW烧结余热发电

点点官网taptapapp下载科技有限公司邯郸市金鼎钢铁14MW烧结余热发电工程流程图

余热发电是利用余热锅炉回收废气余热,生产中压或次中压蒸汽,配套汽轮发电机组发电,限度提废气余热利用效率。而对于烧结机余热发电来说是通过钢厂烧结冷却机废气和烧结机的烟气余热通过余热锅炉回收利用,生产中压或次中压蒸汽,配套汽轮发电机组发电。

冷却机废气显热和烧结烟气显热占烧结过程热耗的50%以上,将这部分余热尽可能地加以有效利用是烧结节能的重要方面。通过对烧结机烟气的回收利用,一方面减少了对气环境的污染(主要是二氧化碳,一氧化碳),另一方面,从某种上也节约了生产成本。其所产生的蒸汽可进行对外供热,电联产,节省了企业的生产成本,也迎合当今社会节能减排的主题。

二.工艺原理

1.烟气循环:烧结冷却机所产生的烟气分为烟温段,共同进入余热锅炉烟道口,并且通过功率循环风机强制其烟气循环,加热其中压换热面,产生蒸汽。当段烟道阀门打开时,烟气就进入锅炉烟道口,同时1#,2#烟囱也随之关闭,旁路烟关闭,补冷风口根据烟气温度自行调节其开度。1#和2#环冷机的出口电动阀打开,循环风机的风流将进入环冷机内,代替环冷风机的风流,使得烧结工序能正常运行。

在此工序中循环风机是主体,因此循环风机的效率直接影响到烧结和锅炉蒸汽产生的效率,进一步影响发电效率。

2.中压水循环:中压锅筒给水是来自汽机房凝结水经过压除氧器处理,由中压给水泵打入中压锅筒。中压给水调节中为重要的是给水三冲量调节,其调节方式是通过汽包水位,给水流量,主蒸汽流量。给水三冲量调节中,给水流量的准确度直接影响到调节的准确和稳定度。因此要进行三冲量的调节,给水流量和蒸汽流量以及水位的校验非常重要。

当主蒸汽温度达到一定值(主要由进入汽机的蒸汽温度决定)时,需要打开减温水调节阀来冷却中压减温汽,降低蒸汽温度,符合进入汽机蒸汽温度的要求。

3.压水循环:压汽包给水是来自汽机房凝结水经过压省煤器进入压汽包。对于压汽包给水调节可以进行两冲量或单冲量调节,其体调节方式可以根据现场情况而定。压汽包水位相对于中压汽包水位稳定,受干扰的情况较小。一冲量调节只需根据水位来调节,两冲量调节根据水位和主蒸汽流量来进行调节。两冲量相对于一冲量来说,受干扰较小,稳定度也较好。

4.汽机油系统:油系统对于汽轮机是相当重要,一但油系统出问题直接影响汽机正常的运作,严重将导致轴瓦的烧毁,使系统整体瘫痪。

汽机油系统主要由压油泵,直流油泵,交流油泵来提供油路的循环。

当主油泵出口油压时,启动压油泵。润滑油压时,启动交流和直流油泵。

三.分散集中控制系统

1.概述:控制方式主要采用炉,机,电集中控制。锅炉,汽轮机,发电机,循环水系统,给水系统等分别能在 控制室内集中控制。 控制室能集中控制机组启动,运行,停机和事故处理。就地控制柜分别分布在各个锅炉的就地控制室内,就地控制室能对本锅炉系统进行操作控制,当锅炉机组进行修或设备调试时,在就地控制较为方便,体现了分散集中的原理。分散集中控制系统的功能覆盖了数据采集和处理系统(DAS),模拟量控制系统(MCS),顺序控制系统(SCS),事件顺序记录(SOE)。

以下以体工程事例来说明。

2.工程概况:该工程为某钢厂四炉一机集中分散控制系统。余热锅炉主要系统参数为额定蒸发量22T,9T.

额定蒸汽温度340C226C

额定蒸汽压力1.96MPa0.6MPa

锅筒工作压力2.16MPa

给水温度40C

排烟温度146C

汽轮发电机参数为主汽门前额定蒸汽压力1.96MPa

主汽门前额定蒸汽温度/温度335/350C

主蒸汽额定流量100T/H

补气快关门前额定蒸汽压力0.6MPa

补气快关门前额定蒸汽温度/温度225/235C

汽轮机额定(考核)功率23MW

汽轮机小发电功率5MW

汽轮机额定转速3000r/min

3.系统网络构架图

该工程每台锅炉都有一个一个就地控制室,每个锅炉控制室内都有一套锅炉控制系统能控制本锅炉的运行,四台锅炉的控制都能经过光纤环网到达 控制室内,由 控制室的操作人员进行操作控制。锅炉每套控制系统的主站和从站都是通过冗余通讯来进行。若其中一路通讯有问题都不会影响锅炉系统的正常运行,保证系统运行安全可靠。

4.系统硬件配置

系统联锁关系

四、主要设备

1、锅炉

给水泵

给水泵出口母管压力<2.1MPa,启动备用给水泵。

正在运行中的给水泵发生故障,启动备用给水泵。

锅筒压力

压锅筒压力>0.85MPa时,报压力报警并且开压锅筒排汽电动阀。

压集汽箱压力>0.75MPa时,报压力报警并且开压集汽箱排汽电动阀。

中压集汽箱压压力>2.4MPa时,报压力报警并且开中压集汽箱排汽电动阀。

锅筒水位

1.锅筒水位参数(参照锅筒正常水位)

中压锅筒正常水位为中心线下50mm,

报警(一)水位为正常水位上下各100mm,

报警(二)水位为正常水位上下各200mm,

报警(三)水位为正常上下各250mm

压锅筒正常水位为中心线下50mm,

报警(一)水位为正常水位上下各100mm,

报警(二)水位为正常水位上下各200mm,

报警(三)水位为正常水位上下各300mm

2.当压汽包水位>300mm或<-300mm时,停炉。同时启动1#,2#环冷风机。

打开环冷风机出口插板阀,打开1#,2#烟囱插板阀,关,温烟道进口挡板,打开旁通烟囱插板阀。延时一段时间停循环风机,循环风机停止,关补冷风门。

当压汽包水位>200mm时,开紧急放水电动阀。

当压汽包水位<100mm时,延迟一段时间关紧急放水电动阀。

3.当中压汽包水位>250mm或<-250mm时,停炉。同时启动1#,2#环冷风机。

打开环冷风机出口插板阀,打开1#,2#烟囱插板阀,关,温烟道进口挡板,打开旁通烟囱插板阀。延时一段时间停循环风机,循环风机停止,关补冷风门。

当中压汽包水位>200mm时,开紧急放水电动阀。

当中压汽包水位<100mm时,延迟一段时间关紧急放水电动阀。

锅炉给水流量

中压给水母管流量<额定流量的30%时,开在循环电动阀

中压给水母管流量>额定流量的50%时,关在循环电动阀。

锅炉给水调节

中压主给水调节根据中压锅筒液位以及中压出口蒸汽流量来调节给水调节阀的开度,稳定锅筒液位。

中压减温水调节阀当中压集汽箱温度>400,开减温调节阀。

压凝结水调节阀根据其压锅筒液位以及其出口蒸汽流量来调节其调节阀,稳定其锅筒液位。

停循环风机

润滑油压<0.03Mpa

润滑油温>67

循环风机轴承温度>85

循环风机轴承振动过>71mm/s

循环风机电机轴承温度>95

循环风机电机定子温度>145

循环风机电机振动>45mm/s

2、汽机

射水泵

射水泵出口压力<0.3MPa或在射水泵运行时故障,启动备用泵

凝结水泵

凝水泵出口母管压力<1.3MPa或在凝结水泵运行时故障,启动备用泵

压油泵

主油泵出口压力<1MPa,启动压油泵。

工业水泵

两用一备和一用两备选择,当出口母管压力<0.55Mpa或运行中有故障,启动备用泵。

循环水泵

两用一备和一用两备选择,当出口母管压力<0.18Mpa或运行中有故障,启动备用泵。

油泵

润滑油压>0.16Mpa,停电动油泵。

润滑油压<55KPa,启动交流电动油泵。

润滑油压<40KPa,启动直流电动油泵。

润滑压<15KPa,停盘车电机。

均压箱

均压箱压力根据均压箱检测的压力来调节均压箱调整阀来稳定其压力。

凝结水箱

根据凝结水箱液位来调节除盐水去凝汽器调节门开度,稳定凝结水箱液位。

旁滤系统

步进入运行状态,运行时间可以预置,原水进水阀和净水出水阀开。若要投入反洗,预置时间到,进入放水状态,原水进水阀和净水出水阀关闭,反洗排水阀打开。一分钟进入水反冲洗状态,反洗进水阀开。五分钟进入水气混合状态,化学水进水电动阀开。十五分钟,化学水进水电动阀关,进入水反冲洗状态。十分钟,反洗排水阀和反洗进水阀都关闭,原水进水阀和净水出水阀打开,在次进入运行状态。

保护停机

汽机速度>3300r/min,速。

轴向位移>=1.3mm,轴向位移<=-0.7mm

胀差<=-2.5mm,胀差>=3.5mm

轴振动>0.254mm

轴瓦温度>110

轴承回油温度>75

润滑油压<20KPa

凝气器真空<-61kpa

点点官网taptapapp下载股份是能源项目投资、资源循环利用项目投资集团,以金融资本推动节能环保事业。主要采用合同能源管理服务模式,为客户提供工业整体节能环保解决方案。业务涵盖分布式能源项目投资,包括园区热电联产冷热电三联供、光伏发电、利用余热及可燃气体进行余热发电余热余压回收利用煤改气投资建设脱硫脱硝电机拖动节能,包括中压变频节能节能泵改造,同时公司自行研发能源管理平台、在线监测平台。公司主要服务领域为工业领域,包括冶金、建材、电力、化工、煤炭、石油、机械、纺织、轻工、医药等型生产耗能企业。

点点官网taptapapp下载坚持“诚信、优先、奉献、共享”的经营理念,致力于推进工业节能、生态文明。点点官网taptapapp下载股份注册资本1.01亿元,目前市值约19亿元,立志成为节能减排企业!

京公网安备 11011302005300号

Baidu
ios在taptap怎么下载