欢迎来到taptap点点官方网(股票代码:831999)官方网站!

企业邮箱| 联系我们| 网站地图

服务热线: 4000-588-578
您现在所在的位置:首页 > 新闻资讯 > 行业资讯

重磅!工信部印发《工业领域碳达峰碳中和标准体系建设指南》!

发布日期:2024-02-22 14:05:00 浏览:-| 加入收藏

0222

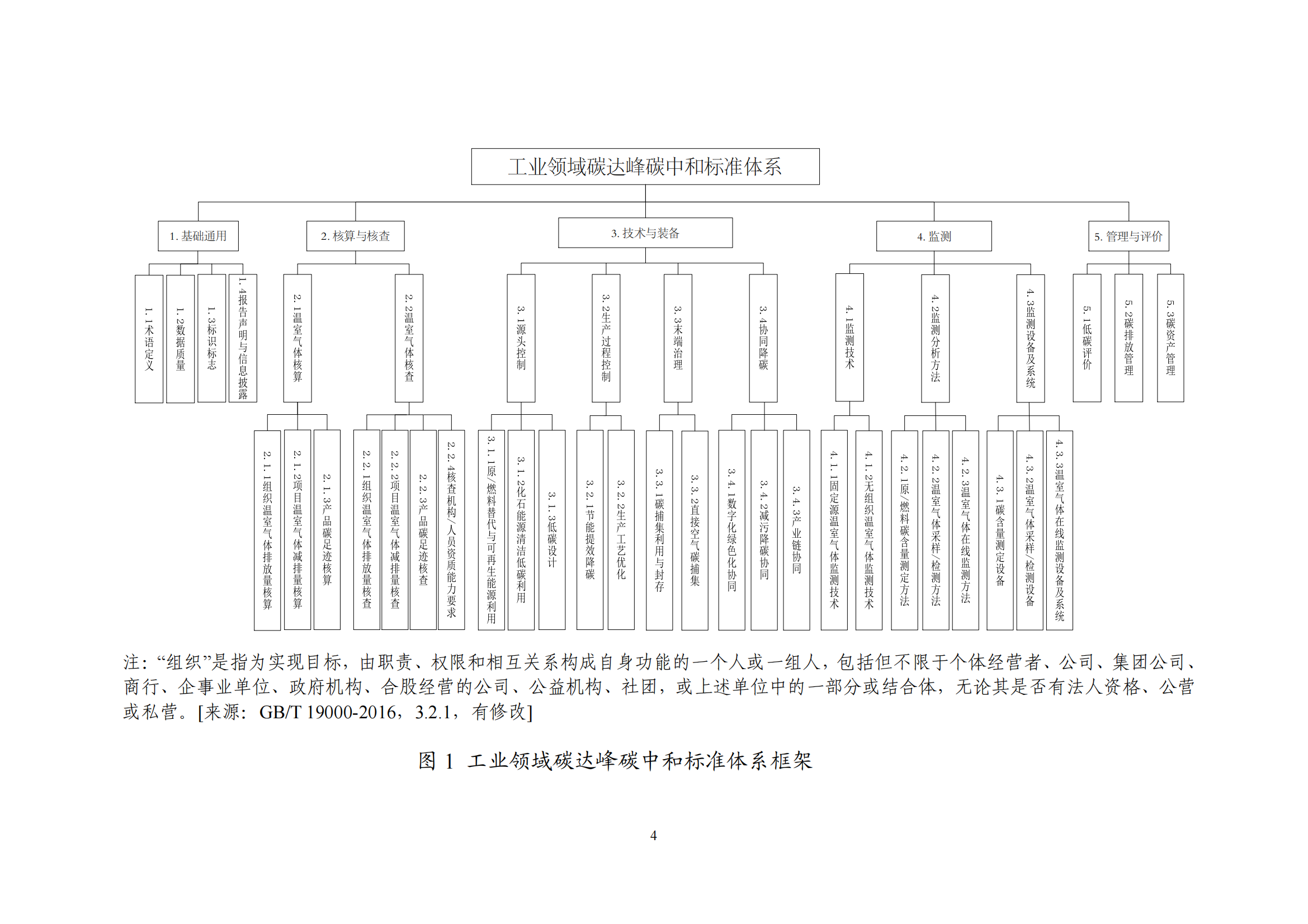
工业和信息化部办公厅关于印发工业领域碳达峰碳中和标准体系建设指南的通知

工信厅科〔2024〕7号

各省、自治区、直辖市工业和信息化主管部门,有关行业协会、标准化技术组织和专业机构:

为切实发挥标准对工业领域碳达峰碳中和的支撑和引领作用,工业和信息化部依据《新产业标准化领航工程实施方案(2023-2035年)》《工业领域碳达峰实施方案》《建立健全碳达峰碳中和标准计量体系实施方案》等,组织编制了《工业领域碳达峰碳中和标准体系建设指南》。现印发给你们,请结合本地区、本行业、本领域实际,在标准化工作中贯彻执行。

工业和信息化部办公厅

2024年2月4日

22_00

22_01

22_02

22_03

22_04

22_05

22_06

22_07

22_08

22_09

22_10

22_11

22_12

22_13

22_14

22_15

22_16

22_17

22_18

22_19

22_20

22_21

22_22

22_23

22_24

22_25

22_26

22_27

22_28

22_29

22_30

22_31

22_32

22_33

22_34

22_35

22_36

22_37

22_38

22_39


来源:工业和信息化部

©内容版权归原创作者所有。图文如有侵权,请留言后台处理。

声明:凡注明“来源:XXX”的文章,均转载自其它媒体,转载的目的在传递更多信息,并不代表本公司赞同其观点和对其真实性负责。其它媒体、网站或个人转载使用时必须保留本平台注明的文章来源,并自负法律责任。

京公网安备 11011302005300号

Baidu
ios在taptap怎么下载