欢迎来到taptap点点官方网(股票代码:831999)官方网站!

企业邮箱| 联系我们| 网站地图

服务热线: 4000-588-578
您现在所在的位置:首页 > 成功案例 > 电力行业 > 火电厂

合同能源管理(EMC)火电厂变频节能改造成功案例

来源:点点官网taptapapp下载 发布日期:2015-10-09 17:05:00 浏览:-| 加入收藏

变频节能改造采用单元串联多电平PWM拓扑结构(简称CSML),由若干个压PWM变频功率单元串联的方式实现直接压输出,压主回路与控制器之间为光纤连接,安全可靠,的故障报警保护,有电力电子保护和工业电气保护功能,保证变频器和电机在正常运行和故障时的安全可靠。

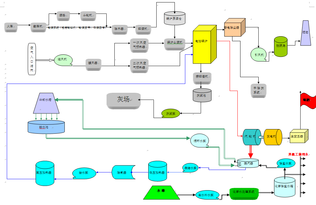
一、火力发电厂工艺流程

发电厂的发电工艺概可以分为:汽水系统、风烟系统、燃烧系统。

其工艺流程图如下:?

压变频节能.png

压变频节能2.png



1.汽水系统流程

凝汽器 凝结水泵 压加热器 除氧器

给水泵 压加热器 省煤器 水冷壁

汽包过热器 汽轮机/中压缸 再热器

汽机压缸 凝汽器

其示意图如下:

压变频节能3.png

二、可改造设备:

锅炉侧的主要设备及系统:给煤机、磨煤机、一次风机、密封风机、送风机、引风机

火检冷却风机、炉水循环泵、风烟系统、汽水系统。

汽机侧:凝结水泵、循环水泵(或空冷风机)、给水泵、轴封系统、抽汽回热系统、润滑油系统、密封油系统、旁路系统、调速油泵,润滑油泵,冷油器,吸风机,磨煤机等

三、案例简介

1.概况

某发电有限责任公司两台600MW临界机组,配有沈阳水泵厂生产的100%容量10LDTNA-6PC型凝结水泵四台,其设计性能参数如下:

型号:10LDTNA-6PC设计流量:Q=1617m3/h

设计扬程:H=393m转速:n=1480r/min

设计效率η=84%

泵共6级,首级叶轮为双吸形式,导流器为螺旋形双流道导流壳,5个次级叶轮为单吸同向排列的斜流泵结构。配用2000kW电机。

2.现场工况及存在的问题

某发电有限责任公司一期投产的两台临界600MW机组,由于凝结水泵设计扬程余量较,调整门节流调节时压降,额定负荷时调整门节流扬程占整个泵扬程的36.06%,负荷时节流更加严重,为此进行了变频改造,安装了一台变频器,正常时一台泵变频运行,另一台泵工频备用。为探讨定速凝泵如何进行节能改造,改变频凝泵是否还需进行节能化以进一步降凝泵耗电率,某发电有限责任公司与科研单位合作在我国共同对10LDTNA-6PC型凝泵进行节能化改进研究,以进一步挖掘节能潜力。为了科学的制定改进方案,首先对凝结水泵及其系统进行了周全的节能化诊断测试。

其测试项目如下:3A凝泵工频运行工况下的性能测试;机组额定负荷时凝结泵管道阻力测试;系统综合参数测试;3A凝泵改前变频运行工况下性能测试。诊断测试结果见附表。

通过节能化诊断测试的结果分析可见,凝结水泵及系统存在着下列问题:

(1)配套性差,在工频运行工况下,凝结泵调整门节流压降过,在额定负荷工况下调整门节流扬程△H占整个泵的扬程H比重为36.06%,节流损失很;

(2)泵效率较,只有77.79%,且性能与设计值81%相差较;

(3)改变频转速运行时凝结泵振动,稳定性差;

(4)制造工艺较差,有铸造缺陷,盖板内侧有蜂窝麻点,流道光洁度差,且对称性差。

3.KTC型压变频器原理及点

KTC系列压变频器采用单元串联多电平PWM拓扑结构(简称CSML),由若干个压PWM变频功率单元串联的方式实现直接压输出,压主回路与控制器之间为光纤连接,安全可靠,的故障报警保护,有电力电子保护和工业电气保护功能,保证变频器和电机在正常运行和故障时的安全可靠。

采用功率单元串联,而不是功率器件串联,器件承受的电压为单元内直流母线的电压,器件不必串联,不存在器件串联引起的均压问题。直接使用压IGBT功率模块,器件工作在压状态,不易发生故障。6kV变频器共使用42对1200V压IGBT,压IGBT门驱动功率较,驱动电路非常简单,开关频率很,不必采取均压电路和浪涌吸收电路,系统效率,同时功率单元采用电容滤波结构,总体成熟可靠。变频器可以承受30%的电源电压下降而继续运行,变频器的6kV主电源完全失电时,变频器可以在3秒内不停机,能够周全满足变频器动力母线切换时不停机的需要。

4.结论

凝结水泵节能改造一般有变频和通流改造两种途径,某发电公司通过科学的分析,尝试在一台泵上同时进行两项改造并取得了可观的经济效益。在变频改造的基础上,3A凝泵进一步实施通流改造比改前泵效率平均提了4%以上,每小时可节电85~130kwh,按平均每小时节电110kwh,年运行7000小时计算,每年可节电77万kwh;此外通过更换为关闭时间更短的电动头,实现了除氧器上水调节站旁路电动门开启运行方式,平均每小时节电40~50kwh的,全年又可实现节电31.5万kwh。证明了凝泵变频改造,再实施泵的通流部分改造的节电还是较明显的,值得推广应用。

凝泵实施综合改造变频运行工况下额定负荷时,电功率只有1288kW,这对我们今凝泵节能化改进、合理选择变频器的功率有指导意义的,通过凝泵周全节能化改进的实施证明:对型调峰机组的定速凝泵的节能化方案,应该是优行凝结泵的节能化改进,解决泵本身的配套性和提运行效率,再实施电机的变频改造或同时进行,这样一方面减少变频器的功率,可以节约变频器的改造费用;另一方面达到佳节能,假如按此方案实施,我公司变频器的功率只需1550~1650kW,可降变频器的改造费用。此次改造对同类型机组有很的可借鉴性。


本文标签:
推荐阅读
江西华能井冈山电厂全年节电31.5万kwh
江西华能井冈山电厂全年节电31.5万kwh

在变频改造的基础上,3A凝泵进一步实施通流改造比改前泵效率平均提了4%以上,每小时可节电85~130kwh,,每年可节电77万kwh;此外通过更换为关闭时间更短的电动头,全年又可实现节电31.5万kwh。

京公网安备 11011302005300号

Baidu
ios在taptap怎么下载