欢迎来到taptap点点官方网(股票代码:831999)官方网站!

办公OA| 企业邮箱| 联系我们| 网站地图

服务热线: 4000-588-578
您现在所在的位置:首页 > 新闻资讯 > 节能技术答疑

玻璃窑余热发电

发布日期:2015-09-30 10:03:00 浏览:-| 加入收藏

玻璃行业 余热发电是必然的趋势

回收利用玻璃熔窑的排烟热能,进行余热发电,可提高玻璃企业的能源利用率。余热发电所发电力直接用于玻璃生产各环节,减少外购电量,降单位玻璃生产成本。同时可以缓解能源供应紧张的局势、减少污染物的排放。玻璃企业建设余热发电可提企业的经济效益,减少气污染物的排放,实现经济效益、环保效益和社会效益多赢的局面,符合循环经济“减量化、再利用、资源化”原则,是我国玻璃企业发展循环经济重要途径。

1、废气余热资源

部分工业过程都伴随产生一定的废弃热能,称之为“余热资源”,如烟气、废蒸汽、废热水、温待冷却物料、化学反应过程放热、未燃烬物等。工业过程的能源消耗以燃料和电力为主,通常燃料的利用率在30~40%之间,会有大量的余能产生,且部分余能以废气余热的形式存在。如不对废气余热资源进行回收利用,不仅会浪费能源,而且还污染环境。玻璃熔窑设计使用重油、天然气、煤气等燃料。燃料在炉内燃烧形成的烟气被排出窑外,即产生了废气余热资源。玻璃熔窑废气属于中温废气余热,温度在450℃左右。

2、废气余热发电概要

这张图显示了一个工艺过程的能流平衡图。

1.jpg

通常说来,玻璃熔窑的能流分配为:40~45%被玻璃液吸收,20~25%通过炉舀表面散热损失,另外30%为排烟损失。这30%的热能如不回用,直接排向气,不仅造成能源的浪费,而且还污染环境。玻璃窑的余热发电就是要充分回用30%排烟中的热能,实现变废为宝,生产出清洁的“电能”。

2.png

目前,玻璃行业主要采用热利用的回收途径,即设置热管式余热锅炉,回收部分废气热能,烟气部分是半通过的。余热锅炉用于产生饱和蒸汽,提供给重油加热或承担采暖热负荷。目前余热锅炉的排烟温度在230~250℃,余热利用率只有30~40%。而实际上,玻璃窑的排烟余热利用率可达65~80%,详细分析如下。

3、案例分析:

以一条600t/d燃用重油的浮法线为例:

3.png

排烟温度约450℃左右,废气量约96000Nm3/h;排烟所携带的总热量约6100×104kJ/h,相当于每小时燃烧2.08吨标煤所放出的热量;根据发电领域的经验,余热锅炉排烟温度的选择主要考虑1)能顺利排烟,2)防止锅炉受热面温段腐蚀,3)锅炉受热面布置经济合理;因重油燃料含有硫份,烟气中含有酸性气体,为防止余热锅炉产生温腐蚀,余热锅炉的排烟温度要于酸露点温度,即于130~150℃;换言之,上述排烟总热量中有65~70%可以被余热锅炉回收,剩余30~35%仍为排烟损失;如果锅炉的排烟温度能达到130~150℃,则余热利用率为65~70%,节标煤1.35~1.46吨/小时,可发电2700~2900kWh左右;对玻璃企业全厂而言,燃料利用率提高了20~21%。

如玻璃熔窑设计燃用天然气或煤气等清洁燃料,不受酸露点的限制,锅炉的排烟温度可为90℃,废气余热回收的比例(余热利用率)可达78~80%,节标煤1.62~1.67吨/小时,可提高玻璃企业燃料利用率23~24%。

4.png

余热发电系统就其本而言与火力发电系统相同,主要工作原理为:利用余热锅炉回收废气余热中的热能,将锅炉给水加热生产出过热蒸汽,然后过热蒸汽送到汽轮机内膨胀做功,将热能转换成机械能,进而带动发电机发电。

余热发电系统与火力发电系统的主要差距就是热源不同。余热发电系统的热源为主工艺生产过程排出的废气余热,其主要征是:1、与火力发电相比,热源不可控;2、热源参数受主工艺的影响较大。

因此,在保证余热发电系统的可靠、稳定、安全运行的前提下,为利用废气余热,有着不同的余热发电系统。

4、玻璃熔窑的工作点和废气资源性

玻璃熔窑生产的主要特点是在一个窑龄(6~10年)内不停窑,这样就要求余热发电系统运行时:

在任何情况下保证排烟通畅,保证玻璃熔窑的安全运行;

在任何情况要保证窑内压力的平稳,任何操作对窑压的影响要保持在±0.5Pa范围内波动,

保证玻璃的质量;

要适应玻璃窑频繁换向的工作点;

5.jpg

需充分认识到玻璃行业中温废气余热资源的性:

废气余热属于中温余热、废气流量较少,热品位较低,热回收代价较大;

废气余热的参数(温度、流量、压力)有一定的波动性,波动范围大;

我国90%左右的玻璃企业燃用重油,重油平均含硫率在0.5~3%,其燃烧产物含有量的腐蚀性(酸性)气体和黏结性较强的油灰。

在认识上述性的基础上,开发出适应于玻璃熔窑性的余热发电系统和关键装备。通过对余热发电系统的化设计和提关键装备变工况性能来保证玻璃熔窑的正常运行;设计制造出适应玻璃窑废气性的种余热锅炉和与之配套的汽轮机,以获得余热利用率,进而保证余热综合利用项目的经济性。

玻璃熔窑中温废气余热资源的性分析

5、适应于玻璃熔窑点的余热发电:“单压参数回热余热发电系统”系统简单、余热利用率,在提高余热发电系统发电量的同时保证发电系统稳定性、可靠性和适应性。

“单压参数回热余热发电系统”热力系统示意图

7.jpg

6、余热电站构成

6.1电站构成:

热力系统:余热锅炉、汽轮发电机组、凝汽器、减温减压装置、汽轮机旁路系统、回热旁路系统、给水加热装置、给水泵、阀门、管道等

烟道系统:主烟道、旁路烟道、烟道闸板等

循环冷却水系统:循环水泵、冷却塔、循环水池等

化学水系统:化学水处理装置、除氧装置、补水泵等

电气系统:压系统、压系统、直流电系统、同期装置、保护装置等

控制系统:全厂DCS系统

汽轮机旁路系统、回热旁路系统是保证余热发电系统可靠性的措施,也是适应玻璃窑废气性和运行点的有效措施。

6.2主机装备--玻璃熔窑余热锅炉

用于玻璃窑余热发电的余热锅炉为电站水管锅炉。玻璃窑发电余热锅炉有别于燃用燃料的电站锅炉,由于没有燃料供应和炉渣排除设施,因此,玻璃窑发电余热锅炉的连续运行时数于燃用燃料的电站锅炉。发电余热锅炉不同于玻璃厂现用热管式余热锅炉,配置有效在线清灰装置,可保证在不停炉的情况下连续清灰。玻璃窑发电余热锅炉将从省煤器出口抽取未饱和水以适应烟气工况的变化,防止省煤器出口汽化现象产生,保证锅炉的安全运行。

典型余热锅炉总图

8.png

9.png

6.2.1玻璃熔窑余热锅炉的清灰

如前所述,我国90%左右的玻璃企业燃用重油,重油平均含硫率在0.5~3%,其燃烧产物含有大量的腐蚀性(酸性)气体和黏结性较强的油灰。因此,减缓余热锅炉结垢、在线清灰是保证余热发电系统长期稳定运行的关键。烟气中含有酸性气体,当锅炉受热面壁温于酸露点温度时,容易在锅炉受热面金属表面结露形成酸性液体,酸性液体易腐蚀管壁同时还容易积灰,在管壁表面形成油垢层,这不仅影响传热,而且长久使用下去会加重受热面金属的腐蚀。

因此,配套重油烟气的余热锅炉设计时需充分考虑上述因素,从设计上减缓结垢的形成,同时采取必要的、有效的在线清灰措施。设计上减缓结垢的形成的主要措施:1)提高管壁温度,提高给水温度;2)选择节距,3)选择较烟速,4)顺列布置。

在线清灰方式为温压气体吹灰。在线清灰的频率和每次清灰的时间取决于灰垢集结的速度。通常说来在线清灰的频率为每隔8小时清灰一次,每次20~30分钟。停炉清灰的措施为用碱水冲洗管子表面,每年小修时冲洗一次即可。

6.3主机装备--汽轮机的性能

汽轮机内效率:根据体项目的蒸汽参数(压力、温度、流量),对汽轮机转子叶型进行四维设计,提高汽轮机内效率。

采用适应余热发电点的调节和控制手段,做到“来多少、吃多少”余热发电的汽轮机多处于非设计工况运行,采用变工况设计,实现在非设计工况下仍有较好的内效率,从而保证实际发电量。

10.jpg

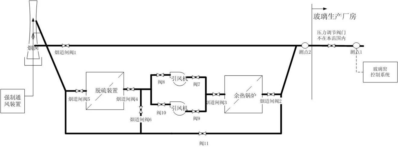
7、玻璃窑余热发电之烟道系统的设计

11.jpg

烟风系统控制及供电原则:由原有配电系统供电,控制纳入玻璃生产线的调节系统。通过不同烟道阀门的连锁控制,保证在任何情况下排烟通畅。窑压的控制由现有控制系统实现,通过采取必要的措施保证烟道切换时对窑压的不冲击。采用强制通风的方式排烟。

8、典型解决方案

8.1、600t/d浮法玻璃线(燃用重油)余热发电站

原始条件

玻璃熔窑数量1条

日熔玻璃量:600t/d

设计使用燃料:重油烟气

熔化单位玻璃的热耗:约1500kcal/kg

排出烟气量:~96000Nm3/h(±5000)

排放烟气温度:450℃(±30)

要求提供0.6MPa、2t/h的饱和蒸汽供重油加热使用

8.2余热电站形式

电站形式:热电联供电站

机炉配置:一台余热锅炉和一套抽凝式汽轮发电机组

供热能力:提供0.6MPa、2t/h的饱和蒸汽,从汽轮机部抽汽

发电能力:在保证供热的同时,发电能力为1940~2640kW

平均发电能力2290kW

电站装机规模:2500kW

建设期:10~12月


京公网安备 11011302005300号

Baidu
ios在taptap怎么下载